
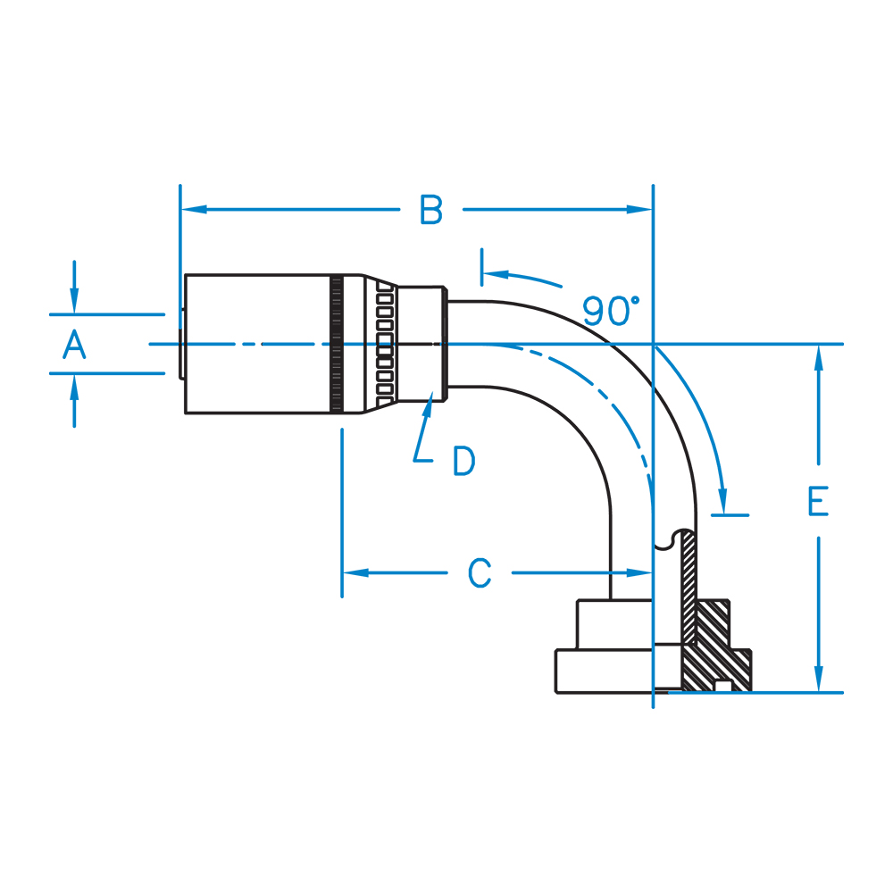
| Image | SKU | A | B | C | D | E | F | Details |
|---|---|---|---|---|---|---|---|---|
| KOMA90-08-10 | 1/2 | 3.71 | 2.21 | 7/8 | 1.91 | Show details | ||
| KOMA90-10-10 | 5/8 | 3.73 | 2.23 | 1-1/8 | 1.91 | Show details |
Sign up to receive our Kurt newsletter to be the first to learn all about our latest innovations, industry trends, company highlights, and new product launches.