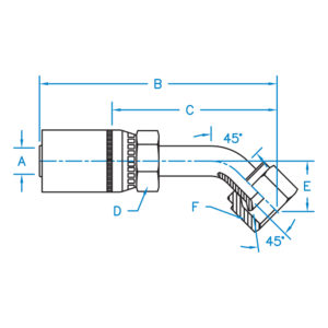
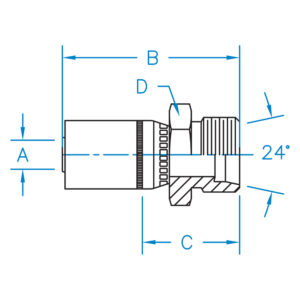
Standard Compression Style Fittings
Kurt Hydraulics’ Standard couplings are the first hydraulic hose fittings we designed and manufactured. These compression-style hydraulic hose fittings feature RoHS-compliant plating, are non-skive, and are available in a large variety of end configurations.
Kurt Hydraulics Part Series: Standard Series
Compatible hoses: Kurt Tuff | R1 | R2 | R16 | R17 | Thermoplastic


































































Sign up to receive our Kurt newsletter to be the first to learn all about our latest innovations, industry trends, company highlights, and new product launches.