
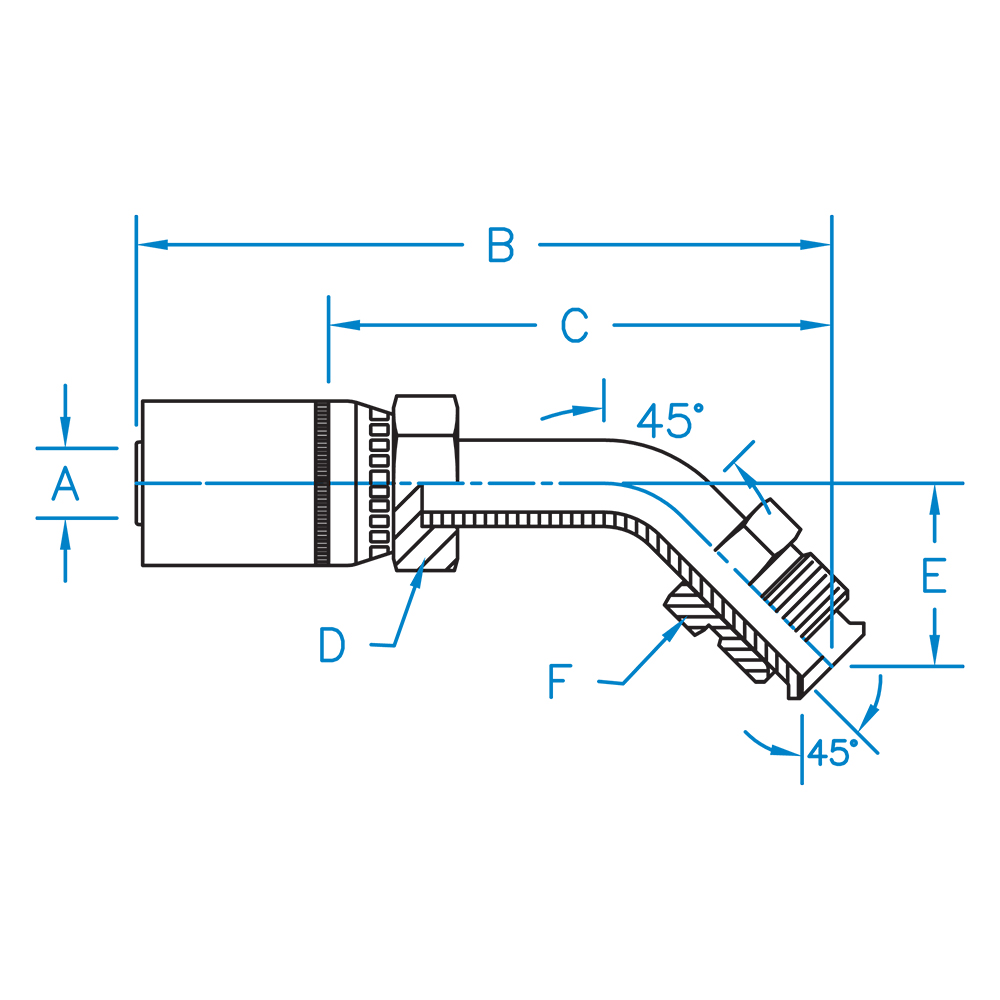
| Image | SKU | A | B | C | D | E | F | Details |
|---|---|---|---|---|---|---|---|---|
| MIX45-04-03 | 1/4 | 2.94 | 1.69 | 5/8 | .72 | 3/8 | Show details | |
| MIX45-04-04 | 1/4 | 2.96 | 1.70 | 5/8 | .78 | 7/16 | Show details | |
| MIX45-04-05 | 1/4 | 3.09 | 1.84 | 5/8 | .88 | 1/2 | Show details | |
| MIX45-04-06 | 1/4 | 3.72 | 2.47 | 5/8 | .94 | 5/8 | Show details | |
| MIX45-06-05 | 3/8 | 3.34 | 1.84 | 11/16 | .88 | 1/2 | Show details | |
| MIX45-06-06 | 3/8 | 3.98 | 2.48 | 11/16 | .94 | 5/8 | Show details | |
| MIX45-06-07 | 3/8 | 3.98 | 2.48 | 11/16 | .94 | 11/16 | Show details | |
| MIX45-06-08 | 3/8 | 4.31 | 2.81 | 3/4 | 1.06 | 3/4 | Show details | |
| MIX45-08-08 | 1/2 | 4.38 | 2.88 | 7/8 | 1.06 | 3/4 | Show details | |
| MIX45-08-10 | 1/2 | 3.93 | 2.43 | 7/8 | .84 | 7/8 | Show details |
Sign up to receive our Kurt newsletter to be the first to learn all about our latest innovations, industry trends, company highlights, and new product launches.