
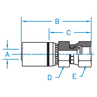
| Image | SKU | A | B | C | D | E | F | Details |
|---|---|---|---|---|---|---|---|---|
| FJX-03-04-R5 | 3/16 | 2.24 | 1.02 | 7/16 | 9/16 | Show details | ||
| FJX-03-05-R5 | 3/16 | 2.24 | 1.44 | 9/16 | 3/4 | Show details | ||
| FJX-05-04-R5 | 5/16 | 2.56 | 1.25 | 5/8 | 9/16 | Show details | ||
| FJX-05-06-R5 | 5/16 | 2.51 | 1.20 | 5/8 | 11/16 | Show details | ||
| FJX-07-06-R5 | 7/16 | 2.81 | 1.34 | 3/4 | 11/16 | Show details | ||
| FJX-07-08-R5 | 7/16 | 2.82 | 1.35 | 3/4 | 7/8 | Show details | ||
| FJX-14-12-R5 | 7/8 | 3.29 | 1.69 | 1-3/8 | 1-1/4 | Show details | ||
| FJX-22-24-R5 | 1-3/8 | 4.07 | 2.10 | 2 | 2-1/4 | Show details | ||
| FJX-04-04-R5 | 1/4 | 2.53 | 1.44 | 5/8 | 5/8 | Show details | ||
| FJX-05-05-R5 | 5/16 | 2.56 | 1.25 | 5/8 | 5/8 | Show details | ||
| FJX-08-08-R5 | 1/2 | 3.52 | 1.59 | 7/8 | 15/16 | Show details | ||
| FJX-08-10-R5 | 1/2 | 3.52 | 1.50 | 7/8 | 1-1/16 | Show details | ||
| FJX-10-08-R5 | 5/8 | 3.24 | 1.50 | 1-1/16 | 7/8 | Show details | ||
| FJX-10-10-R5 | 5/8 | 3.35 | 1.50 | 1-1/16 | 1 | Show details | ||
| FJX-10-12-R5 | 5/8 | 3.45 | 1.63 | 1-1/16 | 1-1/4 | Show details | ||
| FJX-14-16-R5 | 7/8 | 2.35 | 1.76 | 1-3/8 | 1-1/2 | Show details | ||
| FJX-18-20-R5 | 1-1/8 | 3.73 | 1.99 | 1-11/16 | 2 | Show details | ||
| FJX-29-32-R5 | 1-13/16 | 5.06 | 2.56 | 2-1/2 | 2-7/8 | Show details |
Sign up to receive our Kurt newsletter to be the first to learn all about our latest innovations, industry trends, company highlights, and new product launches.