
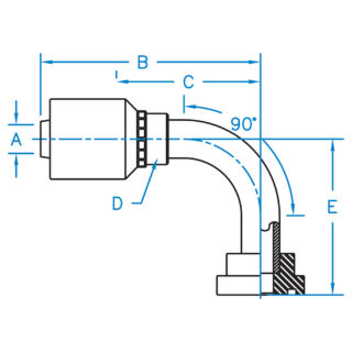
| Image | SKU | A | B | C | D | E | F | Details |
|---|---|---|---|---|---|---|---|---|
| C6290-12-12-W | 3/4 | 4.80 | 2.94 | 1 | 2.51 | Show details | ||
| C6290-12-16-W | 3/4 | 4.73 | 2.94 | 1 | 2.62 | Show details | ||
| C6290-16-16-W | 1 | 4.80 | 2.69 | 1-3/8 | 2.50 | Show details | ||
| C6290-16-20-W | 1 | 4.80 | 2.69 | 1-5/16 | 2.69 | Show details | ||
| C6290-20-16-W | 1-1/4 | 5.34 | 2.80 | 1-5/8 | 2.50 | Show details | ||
| C6290-20-20-W | 1-1/4 | 6.25 | 3.71 | 1-5/8 | 3.12 | Show details | ||
| C6290-20-24-W | 1-1/4 | 6.25 | 3.71 | 1-5/8 | 3.32 | Show details | ||
| C6290-24-24-W | 1-1/2 | 7.37 | 4.77 | 2 | 1.72 | Show details | ||
| C6290-32-32-W | 2 | 8.30 | 5.00 | 2-1/2 | 5.58 | Show details |
Sign up to receive our Kurt newsletter to be the first to learn all about our latest innovations, industry trends, company highlights, and new product launches.