
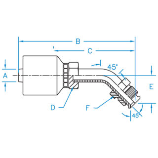
| Image | SKU | A | B | C | D | E | F | Details |
|---|---|---|---|---|---|---|---|---|
| MIX45-06-05-W | 3/8 | 3.15 | 1.78 | 11/16 | .88 | 1/2 | Show details | |
| MIX45-06-06-W | 3/8 | 3.77 | 2.40 | 11/16 | .94 | 5/8 | Show details | |
| MIX45-06-07-W | 3/8 | 3.77 | 2.40 | 11/16 | .94 | 11/16 | Show details | |
| MIX45-06-08-W | 3/8 | 4.10 | 2.73 | 3/4 | 1.06 | 7/8 | Show details | |
| MIX45-08-08-W | 1/2 | 4.12 | 2.78 | 7/8 | 1.06 | 3/4 | Show details | |
| MIX45-08-10-W | 1/2 | 3.54 | 2.20 | 13/16 | .84 | 7/8 | Show details |
Sign up to receive our Kurt newsletter to be the first to learn all about our latest innovations, industry trends, company highlights, and new product launches.