Description
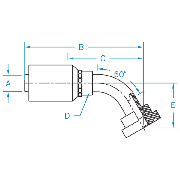
4 – Bolt Split Flange 60° Bent Tube
Recommended hose to be used with this style of couplings are:
SAE100R12, SAE100R13, SAE100R15, 4SH, KTSF AND SAE100R4 Hose.
C6160-20-20-JJ
4 – Bolt Split Flange 60° Bent Tube
Recommended hose to be used with this style of couplings are:
SAE100R12, SAE100R13, SAE100R15, 4SH, KTSF AND SAE100R4 Hose.
| Industry | Agriculture, Construction, Industrial, Logging, Marine, Mining, Mobile Equipment, Oil & Gas |
|---|
| A | 1-1/4 |
| B | 6.92 |
| C | 4.32 |
| D | 1-3/4 |
| E | 1.71 |
Sign up to receive our Kurt newsletter to be the first to learn all about our latest innovations, industry trends, company highlights, and new product launches.