Description
Recommended hose to be used with this style of couplings are:
SAE100R1SN, SAE100R2SN, SAE100R16S, SAE100R17
KURT TUFF, SAE100R12, SAE100R13, SAE100R4
E-Z BEND 4SK, 4SH HOSE
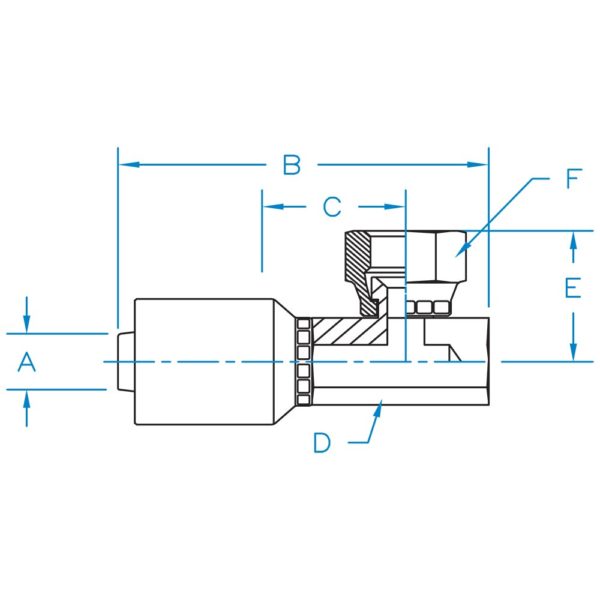
FJX90B-0606-W
Recommended hose to be used with this style of couplings are:
SAE100R1SN, SAE100R2SN, SAE100R16S, SAE100R17
KURT TUFF, SAE100R12, SAE100R13, SAE100R4
E-Z BEND 4SK, 4SH HOSE
| Industry | Agriculture, Construction, Industrial, Logging, Marine, Mining, Mobile Equipment, Oil & Gas |
|---|
| A | 3/8 |
| B | 3.01 |
| C | 1.11 |
| D | 13/16 |
| E | 1.16 |
| F | 11/16 |
| Thread | 9/16 - 18 |
Sign up to receive our Kurt newsletter to be the first to learn all about our latest innovations, industry trends, company highlights, and new product launches.